DIN 2565 PN6 THREADED FLANGE
DIN 2566 PN16 THREADED FLANGE |
|
PN6 PN16 SCREWED FLANGE |
|
|
 |
|
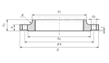
Flange Dimensions & Approximate Masses |
DIN 2565 PN 6 THREADED FLANGE SPECIFICATION |
Rated
Diameter |
|
Flange |
Neck |
Raised face |
Screws |
Weight
(7,85 Kg/dm3) |
d1 |
Thread |
D |
b |
k |
h1 |
d3 |
d4 |
f |
Holes |
Thread |
d2 |
Kg |
15 |
21,3 |
R 1/2 |
80 |
12 |
55 |
20 |
30 |
40 |
2 |
4 |
M 10 |
11 |
0,373 |
20 |
26,9 |
R 3/4 |
90 |
14 |
65 |
24 |
40 |
50 |
2 |
4 |
M 10 |
11 |
0,59 |
25 |
33,7 |
R 1 |
100 |
14 |
75 |
24 |
50 |
60 |
2 |
4 |
M 10 |
11 |
0,743 |
32 |
42,4 |
R 1 1/4 |
120 |
14 |
90 |
26 |
60 |
70 |
2 |
4 |
M 12 |
14 |
1,05 |
40 |
48,3 |
R 1 1/2 |
130 |
14 |
100 |
26 |
70 |
80 |
3 |
4 |
M 12 |
14 |
1,2 |
50 |
60,3 |
R 2 |
140 |
14 |
110 |
28 |
80 |
90 |
3 |
4 |
M 12 |
14 |
1,37 |
65 |
76,1 |
R 2 1/2 |
160 |
14 |
130 |
32 |
100 |
110 |
3 |
4 |
M 12 |
14 |
1,92 |
80 |
88,9 |
R 3 |
190 |
16 |
150 |
34 |
110 |
128 |
3 |
4 |
M 16 |
18 |
2,82 |
100 |
114,3 |
R 4 |
210 |
16 |
170 |
38 |
130 |
148 |
3 |
4 |
M 16 |
18 |
3,19 |
125 |
139,7 |
R 5 |
240 |
18 |
200 |
40 |
160 |
178 |
3 |
8 |
M 16 |
18 |
4,47 |
150 |
165,1 |
R 6 |
265 |
18 |
225 |
44 |
185 |
202 |
3 |
8 |
M 16 |
18 |
5,3 |
DIN 2566 PN16 THREADED FLANGE SPECIFICATION |
Rated
Diameter |
|
Flange |
Neck |
Raised face |
Screws |
Weight
(7,85 Kg/dm3) |
d1 |
Thread |
D |
b |
k |
h1 |
d3 |
d4 |
f |
Holes |
Thread |
d2 |
Kg |
15 |
21,3 |
R 1/2 |
95 |
14 |
65 |
20 |
35 |
45 |
2 |
4 |
M 12 |
14 |
0,613 |
20 |
26,9 |
R 3/4 |
105 |
16 |
75 |
24 |
45 |
58 |
2 |
4 |
M 12 |
14 |
0,91 |
25 |
33,7 |
R 1 |
115 |
16 |
85 |
24 |
52 |
68 |
2 |
4 |
M 12 |
14 |
1,1 |
32 |
42,4 |
R 1 1/4 |
140 |
16 |
100 |
26 |
60 |
78 |
2 |
4 |
M 16 |
18 |
1,6 |
40 |
48,3 |
R 1 1/2 |
150 |
16 |
110 |
26 |
70 |
88 |
3 |
4 |
M 16 |
18 |
1,78 |
50 |
60,3 |
R 2 |
165 |
18 |
125 |
28 |
85 |
102 |
3 |
4 |
M 16 |
18 |
2,43 |
65 |
76,1 |
R 2 1/2 |
185 |
18 |
145 |
32 |
105 |
122 |
3 |
4 |
M 16 |
18 |
3,18 |
80 |
88,9 |
R 3 |
200 |
20 |
160 |
34 |
118 |
138 |
3 |
8 |
M 16 |
18 |
4,12 |
100 |
114,3 |
R 4 |
220 |
20 |
180 |
38 |
140 |
158 |
3 |
8 |
M 16 |
18 |
4,47 |
125 |
139,7 |
R 5 |
250 |
22 |
210 |
40 |
168 |
188 |
3 |
8 |
M 16 |
18 |
6,13 |
150 |
165,1 |
R 6 |
285 |
22 |
240 |
44 |
195 |
212 |
3 |
8 |
M 20 |
22 |
7,92 |
NOTE:
1. Facing according to DIN 2526
Flat face:
Form A, Face without any requirements
Form B, Face Rz=160, machined (not smoother than 40µm)
Raised Face:
Form C, Face Rz=160, machined (not smoother than 40µm)
Form D, Face Rz=40, machined
Form E, Face Rz=16, machined
2. Tongue and groove according to DIN 2512
Form F, Tongue
Form N, Groove
3. Male and Female according to DIN 2513, DIN 2514
Form V13, V14, Male
Form R13, R16, Female
4.
Chemfering for diaphragm-weld packings, PN64-PN400, according to DIN 2695
5. Facing for lens-shaped joints, PN64-PN400, according to DIN 2696
|
|
|
|
CE PED 2014/68/EU, AD2000 W0 W9 |
ISO 9001 : 2015 |
|
|
Production Capacity & Purchase Details |
|
|
1. |
Supply Flange Dimension DN15 - DN2000 (1/2" - 80"), Forged Flange. |
2. |
Material Carbon Steel: RST37.2, C22.8, S235JR, ST37, P235GH, P245GH, P250GH, ASTM A105 |
3. |
Material Stainless Steel: ASTM A182 F304, F304L, F316, F316L, F321 etc. |
4. |
Flanges Anti Rust: Anti Rust Oil, Black Paint, Yellow Paint Coating, Hot Dipped Galvanized, Cold Galvanized etc. |
5. |
Monthly Output: 3000 tons per Month. |
6. |
Delivery Terms: CIF, CFR, FOB, EXW. |
7. |
Payment Terms: Wire Transfer (T/T), Irrevocable L/C at Sight etc. |
8. |
Minimum Order Quantity: 1Ton or 100Pcs. |
9. |
Quality Guarantee: EN10204 3.1 Certificate, Mill Certificate, Third Party Inspection, Free Replacement Service. |
10. |
Find More Requirements In Flanges Market. |
|