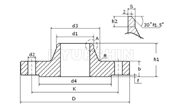
EN 1092-1 TYPE 11 WELDING NECK FLANGE |
|
EN1092-1/11 PN6 PN10 PN16 PN25 40 PN63 PN100 WN FLANGE |
|
RAISED FACE (RF) -TYPE 11B (B1 B2), FLAT FACE (FF) - TYPE 11A |
|
|
 |
|
Flange Dimensions & Approximate Masses / Flange's Weight
|
EN 1092-1 TYPE 11 PN6 WNRF FLANGE |
Rated Diameter |
Flange |
Neck |
Raised face |
Screws |
Weight
(7,85 Kg/dm3) |
d1 |
k |
D |
b |
h1 |
d3 |
s |
r |
h2 |
d4 |
f |
d2 |
Thread |
Bolt holes |
Kg |
15 |
21,3 |
55 |
80 |
12 |
30 |
30 |
2,00 |
4 |
6 |
40 |
2 |
11 |
M10 |
4 |
0,408 |
20 |
26,9 |
65 |
90 |
14 |
32 |
38 |
2,30 |
4 |
6 |
50 |
2 |
11 |
M10 |
4 |
0,621 |
25 |
33,7 |
75 |
100 |
14 |
35 |
42 |
2,60 |
4 |
6 |
60 |
2 |
11 |
M10 |
4 |
0,762 |
32 |
42,4 |
90 |
120 |
14 |
35 |
55 |
2,60 |
6 |
6 |
70 |
2 |
14 |
M12 |
4 |
1,110 |
40 |
48,3 |
100 |
130 |
14 |
38 |
62 |
2,60 |
6 |
7 |
80 |
3 |
14 |
M12 |
4 |
1,260 |
50 |
60,3 |
110 |
140 |
14 |
38 |
74 |
2,90 |
6 |
8 |
90 |
3 |
14 |
M12 |
4 |
1,430 |
65 |
76,1 |
130 |
160 |
14 |
38 |
88 |
2,90 |
6 |
9 |
110 |
3 |
14 |
M12 |
4 |
1,770 |
80 |
88,9 |
150 |
190 |
16 |
42 |
102 |
3,20 |
8 |
10 |
128 |
3 |
18 |
M16 |
4 |
2,880 |
100 |
114,3 |
170 |
210 |
16 |
45 |
130 |
3,60 |
8 |
10 |
148 |
3 |
18 |
M16 |
4 |
3,410 |
125 |
139,7 |
200 |
240 |
18 |
48 |
155 |
4,00 |
8 |
10 |
178 |
3 |
18 |
M16 |
8 |
4,650 |
150 |
168,3 |
225 |
265 |
18 |
48 |
184 |
4,50 |
10 |
12 |
202 |
3 |
18 |
M16 |
8 |
5,500 |
200 |
219,1 |
280 |
320 |
20 |
55 |
236 |
6,30 |
10 |
15 |
258 |
3 |
18 |
M16 |
8 |
8,600 |
250 |
273,0 |
335 |
375 |
22 |
60 |
290 |
6,30 |
12 |
15 |
312 |
3 |
18 |
M16 |
12 |
11,700 |
300 |
323,9 |
395 |
440 |
22 |
62 |
342 |
7,10 |
12 |
15 |
365 |
4 |
22 |
M20 |
12 |
15,300 |
350 |
355,6 |
445 |
490 |
22 |
62 |
385 |
7,10 |
12 |
15 |
415 |
4 |
22 |
M20 |
12 |
20,300 |
400 |
406,4 |
495 |
540 |
22 |
65 |
438 |
7,10 |
12 |
15 |
465 |
4 |
22 |
M20 |
16 |
23,100 |
450 |
457,0 |
550 |
595 |
22 |
65 |
492 |
7,10 |
12 |
15 |
520 |
4 |
22 |
M20 |
16 |
27,000 |
500 |
508,0 |
600 |
645 |
24 |
68 |
538 |
7,10 |
12 |
15 |
570 |
4 |
22 |
M20 |
20 |
30,800 |
600 |
610,0 |
705 |
755 |
30 |
70 |
640 |
7,10 |
12 |
16 |
670 |
5 |
26 |
M24 |
20 |
44,000 |
700 |
711,0 |
810 |
860 |
30 |
76 |
740 |
8,00 |
12 |
16 |
775 |
5 |
26 |
M24 |
24 |
53,700 |
800 |
813,0 |
920 |
975 |
30 |
76 |
842 |
8,00 |
12 |
16 |
880 |
5 |
30 |
M27 |
24 |
64,400 |
900 |
914,0 |
1020 |
1075 |
34 |
78 |
942 |
8,00 |
12 |
16 |
980 |
5 |
30 |
M27 |
24 |
79,200 |
1000 |
1016,0 |
1120 |
1175 |
38 |
82 |
1045 |
8,00 |
16 |
16 |
1080 |
5 |
30 |
M27 |
28 |
98,600 |
1200 |
1219,0 |
1340 |
1405 |
42 |
104 |
1248 |
8,80 |
16 |
20 |
1295 |
5 |
33 |
M30 |
32 |
152,000 |
1400 |
1422,0 |
1560 |
1630 |
56 |
114 |
1452 |
8,80 |
16 |
20 |
1510 |
5 |
36 |
M33 |
36 |
246,000 |
1600 |
1626,0 |
1760 |
1830 |
63 |
119 |
1655 |
10,00 |
16 |
20 |
1710 |
5 |
36 |
M33 |
40 |
309,000 |
1800 |
1829,0 |
1970 |
2045 |
69 |
133 |
1855 |
11,00 |
16 |
20 |
1920 |
5 |
39 |
M36 |
44 |
400,000 |
2000 |
2032,0 |
2180 |
2265 |
74 |
146 |
2058 |
12,50 |
16 |
25 |
2125 |
5 |
42 |
M39 |
48 |
516,000 |
2200 |
2235,0 |
2390 |
2475 |
81 |
154 |
2260 |
14,00 |
18 |
25 |
2335 |
5 |
42 |
M39 |
52 |
645,000 |
2400 |
2438,0 |
2600 |
2685 |
87 |
168 |
2462 |
15,00 |
18 |
25 |
2545 |
5 |
42 |
M39 |
56 |
786,000 |
2600 |
2620,0 |
2810 |
2905 |
91 |
175 |
2665 |
16,00 |
18 |
25 |
2750 |
5 |
48 |
M45 |
60 |
1.021,000 |
2800 |
2820,0 |
3020 |
3115 |
101 |
188 |
2865 |
17,00 |
18 |
30 |
2960 |
5 |
48 |
M45 |
64 |
1.256,000 |
3000 |
3020,0 |
3220 |
3315 |
102 |
192 |
3068 |
20,00 |
18 |
30 |
3160 |
5 |
48 |
M45 |
68 |
1.404,000 |
3200 |
3220,0 |
3430 |
3525 |
106 |
202 |
3272 |
20,00 |
20 |
30 |
3370 |
5 |
48 |
M45 |
72 |
1.617,000 |
3400 |
3420,0 |
3640 |
3735 |
110 |
214 |
3475 |
22,00 |
20 |
35 |
3580 |
5 |
48 |
M45 |
76 |
1.877,000 |
3600 |
3620,0 |
3860 |
3970 |
124 |
229 |
3678 |
22,00 |
20 |
35 |
3790 |
5 |
56 |
M52 |
80 |
2.366,000 |
1. SURFACE FINISH FACING TYPES A, B1, B2 etc |
2. FLANGE MARKING: LOGO EN 1092-1 / 11 B1 / DN100 / PN6 / P245GH / HEAT NUMBER |
EN 1092-1 TYPE 11 PN10 WNRF FLANGE |
Rated Diameter |
Flange |
Neck |
Raised face |
Screws |
Weight
(7,85 Kg/dm3) |
d1 |
k |
D |
b |
h1 |
d3 |
s |
r |
h2 |
d4 |
f |
d2 |
Thread |
Bolt holes |
Kg |
200 |
219,1 |
295 |
340 |
24 |
62 |
234 |
6,30 |
10 |
16 |
268 |
3 |
22 |
M20 |
8 |
11,600 |
250 |
273,0 |
350 |
395 |
26 |
68 |
292 |
6,30 |
12 |
16 |
320 |
3 |
22 |
M20 |
12 |
15,800 |
300 |
323,9 |
400 |
445 |
26 |
68 |
342 |
7,10 |
12 |
16 |
370 |
4 |
22 |
M20 |
12 |
18,300 |
350 |
355,6 |
460 |
505 |
26 |
68 |
385 |
7,10 |
12 |
16 |
430 |
4 |
22 |
M20 |
16 |
25,300 |
400 |
406,4 |
515 |
565 |
26 |
72 |
440 |
7,10 |
12 |
16 |
482 |
4 |
26 |
M24 |
16 |
30,600 |
450 |
457,0 |
565 |
615 |
28 |
72 |
488 |
7,10 |
12 |
16 |
532 |
4 |
26 |
M24 |
20 |
35,100 |
500 |
508,0 |
620 |
670 |
28 |
75 |
542 |
7,10 |
12 |
16 |
585 |
4 |
26 |
M24 |
20 |
40,500 |
600 |
610,0 |
725 |
780 |
30 |
82 |
642 |
8,00 |
12 |
18 |
685 |
5 |
30 |
M27 |
20 |
52,900 |
700 |
711,0 |
840 |
895 |
35 |
85 |
746 |
8,80 |
12 |
18 |
800 |
5 |
30 |
M27 |
24 |
75,800 |
800 |
813,0 |
950 |
1015 |
38 |
96 |
850 |
8,80 |
12 |
18 |
905 |
5 |
33 |
M30 |
24 |
102,000 |
900 |
914,0 |
1050 |
1115 |
38 |
99 |
950 |
12,50 |
12 |
20 |
1005 |
5 |
33 |
M30 |
28 |
121,000 |
1000 |
1016,0 |
1160 |
1230 |
44 |
105 |
1052 |
12,50 |
16 |
20 |
1110 |
5 |
36 |
M33 |
28 |
161,000 |
1200 |
1219,0 |
1380 |
1455 |
55 |
132 |
1256 |
12,50 |
16 |
25 |
1330 |
5 |
39 |
M36 |
32 |
258,000 |
1400 |
1422,0 |
1590 |
1675 |
65 |
143 |
1460 |
14,20 |
16 |
25 |
1535 |
5 |
42 |
M39 |
36 |
371,000 |
1600 |
1626,0 |
1820 |
1915 |
75 |
159 |
1666 |
16,00 |
16 |
25 |
1760 |
5 |
48 |
M45 |
40 |
547,000 |
1800 |
1829,0 |
2020 |
2115 |
85 |
175 |
1868 |
17,50 |
16 |
30 |
1960 |
5 |
48 |
M45 |
44 |
691,000 |
2000 |
2032,0 |
2230 |
2325 |
90 |
186 |
2072 |
17,50 |
16 |
30 |
2170 |
5 |
48 |
M45 |
48 |
830,000 |
2200 |
2235,0 |
2440 |
2550 |
100 |
202 |
2275 |
20,00 |
18 |
35 |
2370 |
5 |
56 |
M52 |
52 |
1.073,000 |
2400 |
2438,0 |
2650 |
2760 |
110 |
218 |
2478 |
22,20 |
18 |
35 |
2570 |
5 |
56 |
M52 |
56 |
1.329,000 |
2600 |
2620,0 |
2850 |
2960 |
110 |
224 |
2680 |
25,00 |
18 |
40 |
2780 |
5 |
56 |
M52 |
60 |
1.574,000 |
2800 |
2820,0 |
3070 |
3180 |
124 |
244 |
2882 |
25,00 |
18 |
40 |
3000 |
5 |
56 |
M52 |
64 |
1.987,000 |
3000 |
3020,0 |
3290 |
3405 |
132 |
257 |
3085 |
32,00 |
18 |
45 |
3210 |
5 |
62 |
M56 |
68 |
2.476,000 |
1. SURFACE FINISH FACING TYPES A, B1, B2 etc |
2. FLANGE MARKING: LOGO EN 1092-1 / 11 B1 / DN100 / PN10 / P245GH / HEAT NUMBER |
EN 1092-1 TYPE 11 PN16 WNRF FLANGE |
Rated Diameter |
Flange |
Neck |
Raised face |
Screws |
Weight
(7,85 Kg/dm3) |
d1 |
k |
D |
b |
h1 |
d3 |
s |
r |
h2 |
d4 |
f |
d2 |
Thread |
Bolt holes |
Kg |
15 |
21,3 |
65 |
95 |
16 |
38 |
32 |
2,00 |
4 |
6 |
45 |
2 |
14 |
M12 |
4 |
0,678 |
20 |
26,9 |
75 |
105 |
18 |
40 |
40 |
2,30 |
4 |
6 |
58 |
2 |
14 |
M12 |
4 |
0,768 |
25 |
33,7 |
85 |
115 |
18 |
40 |
46 |
2,60 |
4 |
6 |
68 |
2 |
14 |
M12 |
4 |
1,090 |
32 |
42,4 |
100 |
140 |
18 |
42 |
56 |
2,60 |
6 |
6 |
78 |
2 |
18 |
M16 |
4 |
1,300 |
40 |
48,3 |
110 |
150 |
18 |
45 |
64 |
2,60 |
6 |
7 |
88 |
3 |
18 |
M16 |
4 |
1,910 |
50 |
60,3 |
125 |
165 |
18 |
45 |
74 |
2,9 |
6 |
8 |
102 |
3 |
18 |
M16 |
4 |
2,530 |
65 |
76,1 |
145 |
185 |
18 |
45 |
92 |
2,9 |
6 |
10 |
122 |
3 |
18 |
M16 |
4 |
3,030 |
80 |
88,9 |
160 |
200 |
20 |
50 |
105 |
3,2 |
6 |
10 |
138 |
3 |
18 |
M16 |
8 |
3,920 |
100 |
114,3 |
180 |
220 |
20 |
52 |
131 |
3,6 |
8 |
12 |
158 |
3 |
18 |
M16 |
8 |
4,620 |
125 |
139,7 |
210 |
250 |
22 |
55 |
156 |
4,0 |
8 |
12 |
188 |
3 |
18 |
M16 |
8 |
6,300 |
150 |
168,3 |
240 |
285 |
22 |
55 |
184 |
4,5 |
10 |
12 |
212 |
3 |
22 |
M20 |
8 |
7,810 |
200 |
219,1 |
295 |
340 |
24 |
62 |
235 |
6,30 |
10 |
16 |
268 |
3 |
22 |
M20 |
12 |
11,500 |
250 |
273,0 |
355 |
405 |
26 |
70 |
292 |
6,30 |
12 |
16 |
320 |
3 |
26 |
M24 |
12 |
16,700 |
300 |
323,9 |
410 |
460 |
28 |
78 |
344 |
7,10 |
12 |
16 |
378 |
4 |
26 |
M24 |
12 |
22,100 |
350 |
355,6 |
470 |
520 |
30 |
82 |
390 |
8,00 |
12 |
16 |
438 |
4 |
26 |
M24 |
16 |
32,800 |
400 |
406,4 |
525 |
580 |
32 |
85 |
445 |
8,00 |
12 |
16 |
490 |
4 |
30 |
M27 |
16 |
41,100 |
450 |
457,0 |
585 |
640 |
34 |
83 |
490 |
8,00 |
12 |
16 |
550 |
4 |
30 |
M27 |
20 |
48,500 |
500 |
508 |
650 |
715,0 |
36 |
84 |
548 |
8,0 |
12 |
16 |
610 |
4 |
33 |
M30 |
20 |
63,400 |
600 |
610 |
770 |
840,0 |
40 |
88 |
670 |
10,0 |
12 |
18 |
725 |
5 |
36 |
M33 |
20 |
96,000 |
700 |
711 |
840 |
910,0 |
40 |
104 |
755 |
10,0 |
12 |
18 |
795 |
5 |
36 |
M33 |
24 |
96,500 |
800 |
813 |
950 |
1025,0 |
41 |
108 |
855 |
12,5 |
12 |
20 |
900 |
5 |
39 |
M36 |
24 |
122,000 |
900 |
914 |
1050 |
1125,0 |
48 |
118 |
955 |
12,5 |
12 |
20 |
1000 |
5 |
39 |
M36 |
28 |
155,000 |
1000 |
1016 |
1170 |
1255,0 |
59 |
137 |
1058 |
12,5 |
16 |
22 |
1115 |
5 |
42 |
M39 |
28 |
233,000 |
1200 |
1219 |
1390 |
1485,0 |
78 |
160 |
1262 |
14,2 |
16 |
30 |
1330 |
5 |
48 |
M45 |
32 |
390,000 |
1400 |
1422 |
1590 |
1685,0 |
84 |
177 |
1465 |
16,0 |
16 |
30 |
1530 |
5 |
48 |
M45 |
36 |
495,000 |
1600 |
1626 |
1820 |
1930,0 |
102 |
204 |
1668 |
17,5 |
16 |
35 |
1750 |
5 |
56 |
M52 |
40 |
760,000 |
1800 |
1829 |
2020 |
2130,0 |
110 |
218 |
1870 |
20,0 |
16 |
35 |
1950 |
5 |
56 |
M52 |
44 |
929,000 |
2000 |
2032 |
2230 |
2345,0 |
124 |
238 |
2072 |
22,0 |
16 |
40 |
2150 |
5 |
62 |
M56 |
48 |
1.185,000 |
1. SURFACE FINISH FACING TYPES A, B1, B2 etc |
2. FLANGE MARKING: LOGO EN 1092-1 / 11 B1 / DN100 / PN16 / P245GH / HEAT NUMBER |
EN 1092-1 TYPE 11 PN25 WNRF FLANGE |
Rated Diameter |
Flange |
Neck |
Raised face |
Screws |
Weight
(7,85 Kg/dm3) |
d1 |
k |
D |
b |
h1 |
d3 |
s |
r |
h2 |
d4 |
f |
d2 |
Thread |
Bolt holes |
Kg |
200 |
219,1 |
310 |
360 |
30 |
80 |
244 |
6,3 |
10 |
16 |
278 |
3 |
26 |
M24 |
12 |
17,100 |
250 |
273 |
370 |
425 |
32 |
88 |
298 |
7,1 |
12 |
18 |
335 |
3 |
30 |
M27 |
12 |
24,300 |
300 |
323,9 |
430 |
485 |
34 |
92 |
352 |
8,0 |
12 |
18 |
395 |
4 |
30 |
M27 |
16 |
31,800 |
350 |
355,6 |
490 |
555 |
38 |
100 |
398 |
8,0 |
12 |
20 |
450 |
4 |
33 |
M30 |
16 |
48,800 |
400 |
406,4 |
550 |
620 |
40 |
110 |
452 |
8,8 |
12 |
20 |
505 |
4 |
36 |
M33 |
16 |
63,300 |
450 |
457 |
600 |
670 |
46 |
110 |
500 |
8,8 |
12 |
20 |
550 |
4 |
36 |
M33 |
20 |
76,000 |
500 |
508 |
660 |
730 |
48 |
125 |
558 |
10,0 |
12 |
20 |
615 |
4 |
36 |
M33 |
20 |
97,000 |
600 |
610 |
770 |
845 |
48 |
125 |
660 |
11,0 |
12 |
20 |
720 |
5 |
39 |
M36 |
20 |
121,000 |
700 |
711 |
875 |
960 |
50 |
129 |
760 |
14,2 |
12 |
20 |
820 |
5 |
42 |
M39 |
24 |
155,000 |
800 |
813 |
990 |
1085 |
53 |
138 |
864 |
16,0 |
12 |
22 |
930 |
5 |
48 |
M45 |
24 |
205,000 |
900 |
914 |
1090 |
1185 |
57 |
148 |
968 |
17,5 |
12 |
24 |
1030 |
5 |
48 |
M45 |
28 |
249,000 |
1000 |
1016 |
1210 |
1320 |
63 |
160 |
1070 |
20,0 |
16 |
24 |
1140 |
5 |
56 |
M52 |
28 |
338,000 |
1. SURFACE FINISH FACING TYPES A, B1, B2 etc |
2. FLANGE MARKING: LOGO EN 1092-1 / 11 B1 / DN100 / PN25 / P245GH / HEAT NUMBER |
EN 1092-1 TYPE 11 PN40 WNRF FLANGE |
Rated Diameter |
Flange |
Neck |
Raised face |
Screws |
Weight
(7,85 Kg/dm3) |
d1 |
k |
D |
b |
h1 |
d3 |
s |
r |
h2 |
d4 |
f |
d2 |
Thread |
Bolt holes |
Kg |
15 |
21,3 |
65 |
95 |
16 |
38 |
32 |
2,00 |
4 |
6 |
45 |
2 |
14 |
M12 |
4 |
0,768 |
20 |
26,9 |
75 |
105 |
18 |
40 |
40 |
2,30 |
4 |
6 |
58 |
2 |
14 |
M12 |
4 |
1,090 |
25 |
33,7 |
85 |
115 |
18 |
40 |
46 |
2,60 |
4 |
6 |
68 |
2 |
14 |
M12 |
4 |
1,300 |
32 |
42,4 |
100 |
140 |
18 |
42 |
56 |
2,60 |
6 |
6 |
78 |
2 |
18 |
M16 |
4 |
1,910 |
40 |
48,3 |
110 |
150 |
18 |
45 |
64 |
2,60 |
6 |
7 |
88 |
3 |
18 |
M16 |
4 |
2,150 |
50 |
60,3 |
125 |
165 |
20 |
48 |
75 |
2,90 |
6 |
8 |
102 |
3 |
18 |
M16 |
4 |
2,850 |
65 |
76,1 |
145 |
185 |
22 |
52 |
90 |
2,90 |
6 |
10 |
122 |
3 |
18 |
M16 |
8 |
3,680 |
80 |
88,9 |
160 |
200 |
24 |
58 |
105 |
3,20 |
8 |
12 |
138 |
3 |
18 |
M16 |
8 |
4,780 |
100 |
114,3 |
190 |
235 |
24 |
65 |
134 |
3,60 |
8 |
12 |
162 |
3 |
22 |
M20 |
8 |
6,460 |
125 |
139,7 |
220 |
270 |
26 |
68 |
162 |
4,00 |
8 |
12 |
188 |
3 |
26 |
M24 |
8 |
8,860 |
150 |
168,3 |
250 |
300 |
28 |
75 |
192 |
4,50 |
10 |
12 |
218 |
3 |
26 |
M24 |
8 |
11,700 |
200 |
219,1 |
320 |
375 |
34 |
88 |
244 |
6,30 |
10 |
16 |
285 |
3 |
30 |
M27 |
12 |
21,000 |
250 |
273,0 |
385 |
450 |
38 |
105 |
306 |
7,10 |
12 |
18 |
345 |
3 |
33 |
M30 |
12 |
34,200 |
300 |
323,9 |
450 |
515 |
42 |
115 |
362 |
8,00 |
12 |
18 |
410 |
4 |
33 |
M30 |
16 |
47,600 |
350 |
355,6 |
510 |
580 |
46 |
125 |
408 |
8,80 |
12 |
20 |
465 |
4 |
36 |
M33 |
16 |
69,300 |
400 |
406,4 |
585 |
660 |
50 |
135 |
462 |
11,00 |
12 |
20 |
535 |
4 |
39 |
M36 |
16 |
98,000 |
450 |
457,0 |
610 |
685 |
57 |
135 |
500 |
12,50 |
12 |
20 |
560 |
4 |
39 |
M36 |
20 |
105,000 |
500 |
508,0 |
670 |
755 |
57 |
140 |
562 |
14,20 |
12 |
20 |
615 |
4 |
42 |
M39 |
20 |
130,000 |
600 |
610,0 |
795 |
890 |
72 |
150 |
666 |
16,00 |
12 |
20 |
735 |
5 |
48 |
M45 |
20 |
209,000 |
1. SURFACE FINISH FACING TYPES A, B1, B2 etc |
2. FLANGE MARKING: LOGO EN 1092-1 / 11 B1 / DN100 / PN40 / P245GH / HEAT NUMBER |
|
|
|
 |
|
CE PED 2014/68/EU, AD2000 W0 W9 |
ISO9001:2015 |
UKCA PER 2016 |
|
|
|
|
|
Production Capacity & Purchase Details |
|
|
1. |
Supply Flange Dimension DN15 - DN2000 (1/2" - 80"), Forged Flange. |
2. |
Material Carbon Steel: P235GH, P245GH, P250GH, RST37.2, C22.8, S235JR, ST37, ASTM A105 |
3. |
Material Stainless Steel: ASTM A182 F304, F304L, F316, F316L, F321 etc. |
4. |
Flanges Anti Rust: Anti Rust Oil, Black Paint, Yellow Paint Coating, Hot Dipped Galvanized, Cold Galvanized etc. |
5. |
Monthly Output: 3000 tons per Month. |
6. |
Delivery Terms: CIF, CFR, FOB, EXW. |
7. |
Payment Terms: Wire Transfer (T/T), Irrevocable L/C at Sight etc. |
8. |
Minimum Order Quantity: 1Ton or 100Pcs. |
9. |
Quality Guarantee: EN10204 3.1 Certificate, Mill Certificate, Third Party Inspection, Free Replacement Service. |
10. |
Find More Requirements In Flanges Market. |
|