UNI 2281 PN10 WELDING NECK FLANGE |
|
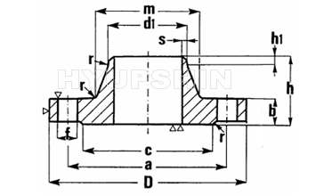
PN10 WNRF FLANGE |
|
RAISED FACE (RF), FLAT FACE (FF) |
|
|
 |
|
Flange Dimensions & Approximate Masses / Flange's Weight |
ITALY STANDARD UNI 2281 PN10 WELDING NECK FLANGE RF DIMENSIONS TABLE |
Directions for the designation |
d1 |
a |
b |
D |
f |
h |
h1 |
m |
r |
s |
Holes |
Screws |
Weight* |
Rated
Diameter |
External diameter
of the pipe |
Kg |
15 |
20 |
21 |
65 |
14 |
95 |
14 |
35 |
6 |
30 |
4 |
2,5 |
4 |
M 12 |
0,73 |
21,3 |
22,5 |
32 |
0,73 |
20 |
25 |
26 |
75 |
16 |
105 |
14 |
38 |
6 |
38 |
4 |
2,5 |
4 |
M 12 |
1,03 |
26,9 |
28 |
40 |
1,03 |
25 |
30 |
31 |
85 |
16 |
115 |
14 |
38 |
6 |
42 |
4 |
2,8 |
4 |
M 12 |
1,24 |
33,7 |
34,5 |
45 |
1,23 |
32 |
38 |
39 |
100 |
16 |
140 |
18 |
40 |
6 |
52 |
6 |
3 |
4 |
M 16 |
1,82 |
42,4 |
43,5 |
56 |
1,80 |
40 |
44,5 |
45,5 |
110 |
16 |
150 |
18 |
42 |
7 |
60 |
6 |
3 |
4 |
M 16 |
2,10 |
48,3 |
49,5 |
64 |
2,08 |
50 |
57 |
58 |
125 |
18 |
165 |
18 |
45 |
8 |
72 |
6 |
3,5 |
4 |
M 16 |
2,81 |
60,3 |
61,5 |
75 |
2,78 |
65 |
76,1 |
77 |
145 |
18 |
185 |
18 |
45 |
10 |
90 |
6 |
3,5 |
4 |
M 16 |
3,40 |
80 |
88,9 |
90 |
160 |
20 |
200 |
18 |
50 |
10 |
105 |
8 |
3,7 |
8** |
M 16 |
4,20 |
100 |
108 |
109 |
180 |
20 |
220 |
18 |
52 |
12 |
125 |
8 |
3,7 |
8 |
M 16 |
4,90 |
114,3 |
115,5 |
131 |
4,75 |
125 |
133 |
134 |
210 |
22 |
250 |
18 |
55 |
12 |
150 |
8 |
4 |
8 |
M 16 |
6,70 |
139,7 |
141 |
156 |
6,45 |
150 |
159 |
161 |
240 |
22 |
285 |
22 |
55 |
12 |
175 |
10 |
5 |
8 |
M 20 |
8,30 |
168,3 |
170,5 |
184 |
8,00 |
175 |
193,7 |
195,5 |
270 |
24 |
315 |
22 |
60 |
12 |
210 |
10 |
5 |
8 |
M 20 |
10,3 |
200 |
219,1 |
221 |
295 |
24 |
340 |
22 |
62 |
16 |
235 |
10 |
5 |
8 |
M 20 |
11,4 |
250 |
267 |
269 |
350 |
26 |
395 |
22 |
68 |
16 |
285 |
12 |
5,5 |
12 |
M 20 |
15,6 |
273 |
275 |
292 |
15,2 |
300 |
323,9 |
326 |
400 |
26 |
445 |
22 |
68 |
16 |
344 |
12 |
6 |
12 |
M 20 |
18,0 |
350 |
355,6 |
357,5 |
460 |
26 |
505 |
22 |
68 |
16 |
385 |
12 |
6,4 |
16 |
M 20 |
24,5 |
368 |
370 |
22,5 |
400 |
406,4 |
408,5 |
515 |
26 |
565 |
25 |
72 |
16 |
440 |
12 |
7 |
16 |
M 22 |
30,2 |
419 |
421 |
27,8 |
450 |
457,2 |
459 |
565 |
26 |
615 |
25 |
72 |
16 |
478 |
12 |
7,3 |
20 |
M 22 |
32,3 |
500 |
508 |
510 |
620 |
28 |
670 |
25 |
75 |
16 |
542 |
12 |
7,3 |
20 |
M 22 |
40,4 |
600 |
609,6 |
611,5 |
725 |
28 |
780 |
30 |
80 |
18 |
642 |
12 |
7,3 |
20 |
M 27 |
50,0 |
700 |
711,2 |
715 |
840 |
30 |
895 |
30 |
80 |
18 |
745 |
12 |
9 |
24 |
M 27 |
66,4 |
800 |
812,8 |
817 |
950 |
32 |
1015 |
33 |
90 |
18 |
850 |
12 |
9 |
24 |
M 30 |
89,3 |
900 |
914,4 |
918 |
1050 |
34 |
1115 |
33 |
95 |
20 |
950 |
12 |
9 |
28 |
M 30 |
104 |
1000 |
1016 |
1020 |
1160 |
34 |
1230 |
36 |
95 |
20 |
1052 |
16 |
9 |
28 |
M 33 |
121 |
1200 |
1220 |
1224 |
1380 |
38 |
1455 |
39 |
115 |
25 |
1255 |
16 |
10 |
32 |
M 36 x 3 |
180 |
1400 |
1420 |
1424 |
1590 |
42 |
1675 |
42 |
120 |
25 |
1460 |
16 |
11 |
36 |
M 39 x 3 |
248 |
1600 |
1620 |
1624 |
1820 |
46 |
1915 |
48 |
130 |
25 |
1665 |
16 |
12 |
40 |
M 45 x 3 |
352 |
1800 |
1820 |
1824 |
2020 |
50 |
2115 |
48 |
140 |
30 |
1868 |
16 |
13 |
44 |
M 45 x 3 |
433 |
2000 |
2020 |
2024 |
2230 |
54 |
2325 |
48 |
150 |
30 |
2072 |
16 |
14 |
48 |
M 45 x 3 |
543 |
* |
The weight is approximate and calculated on base 7.85 Kg/dm3 |
** |
For PN10 the flange should have 4 holes |
|
|
|
|
CE PED 2014/68/EU, AD2000 W0 W9 |
ISO 9001 : 2015 |
|
|
Production Capacity & Purchase Details |
|
|
1. |
Supply Flange Dimension DN15 - DN2000 (1/2" - 80"), Forged Flange. |
2. |
Material Carbon Steel: RST37.2, C22.8, S235JR, ST37, C21, P235GH, P245GH, P250GH, ASTM A105 |
3. |
Material Stainless Steel: ASTM A182 F304, F304L, F316, F316L, F321 etc. |
4. |
Flanges Anti Rust: Anti Rust Oil, Black Paint, Yellow Paint Coating, Hot Dipped Galvanized, Cold Galvanized etc. |
5. |
Monthly Output: 3000 tons per Month. |
6. |
Delivery Terms: CIF, CFR, FOB, EXW. |
7. |
Payment Terms: Wire Transfer (T/T), Irrevocable L/C at Sight etc. |
8. |
Minimum Order Quantity: 1Ton or 100Pcs. |
9. |
Quality Guarantee: EN10204 3.1 Certificate, Mill Certificate, Third Party Inspection, Free Replacement Service. |
10. |
Find More Requirements In Flanges Market. |
|