EN 1092-1 TYPE 02 LOOSE FLANGE |
|
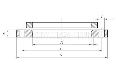
EN1092-1/02 PN6 PN10 PN16 LAPPED FLANGE |
|
FLAT FACE (FF) |
|
|
 |
|
Flange Dimensions & Approximate Masses / Flange's Weight |
EN 1092-1 TYPE 02 PN10 LOOSE FLANGE |
Rated Diameter |
Flange |
Screws |
Weight
(7,85 Kg/dm3) |
d1 |
k |
D |
b |
e |
d2 |
Thread |
Bolt holes |
KG |
15 |
25 |
65 |
95 |
14 |
3 |
14 |
M12 |
4 |
0,654 |
20 |
31 |
75 |
105 |
16 |
4 |
14 |
M12 |
4 |
0,913 |
25 |
38 |
85 |
115 |
16 |
4 |
14 |
M12 |
4 |
1,081 |
32 |
47 |
100 |
140 |
18 |
5 |
18 |
M16 |
4 |
1,781 |
40 |
53 |
110 |
150 |
18 |
5 |
18 |
M16 |
4 |
2,035 |
50 |
65 |
125 |
165 |
20 |
5 |
18 |
M16 |
8 |
2,520 |
65 |
81 |
145 |
185 |
20 |
6 |
18 |
M16 |
8 |
3,050 |
80 |
94 |
160 |
200 |
20 |
6 |
18 |
M16 |
8 |
3,480 |
100 |
120 |
180 |
220 |
22 |
6 |
18 |
M16 |
8 |
4,200 |
125 |
145 |
210 |
250 |
22 |
6 |
18 |
M16 |
8 |
5,210 |
150 |
174 |
240 |
285 |
24 |
6 |
22 |
M20 |
8 |
6,890 |
200 |
226 |
295 |
340 |
24 |
6 |
22 |
M20 |
8 |
8.870 |
250 |
281 |
350 |
395 |
26 |
8 |
22 |
M20 |
12 |
11,200 |
300 |
333 |
400 |
445 |
26 |
8 |
22 |
M20 |
12 |
12,800 |
350 |
365 |
460 |
505 |
30 |
8 |
22 |
M20 |
16 |
19,400 |
400 |
416 |
515 |
565 |
32 |
8 |
26 |
M24 |
16 |
26,400 |
450 |
467 |
565 |
615 |
36 |
8 |
26 |
M24 |
20 |
32,200 |
500 |
519 |
620 |
670 |
38 |
8 |
26 |
M24 |
20 |
38,500 |
600 |
622 |
725 |
780 |
42 |
8 |
30 |
M27 |
20 |
52,200 |
700 |
721 |
840 |
895 |
50 |
8 |
30 |
M27 |
24 |
79,400 |
800 |
824 |
950 |
1015 |
56 |
8 |
33 |
M30 |
24 |
112,000 |
900 |
926 |
1050 |
1115 |
62 |
8 |
33 |
M30 |
28 |
135,000 |
1000 |
1028 |
1160 |
1230 |
70 |
8 |
36 |
M33 |
28 |
180,000 |
1. SURFACE FINISH FACING TYPES A, B1, B2 etc |
2. FLANGE MARKING: LOGO EN 1092-1 / 02 / DN100 / PN6 / P245GH / HEAT NUMBER |
EN 1092-1 TYPE 02 PN16 LOOSE FLANGE |
Rated Diameter |
Flange |
Screws |
Weight
(7,85 Kg/dm3) |
d1 |
k |
D |
b |
e |
d2 |
Thread |
Bolt holes |
KG |
15 |
25 |
65 |
95 |
14 |
3 |
14 |
M12 |
4 |
0,655 |
20 |
31 |
75 |
105 |
16 |
4 |
14 |
M12 |
4 |
0,913 |
25 |
38 |
85 |
115 |
16 |
4 |
14 |
M12 |
4 |
1,081 |
32 |
47 |
100 |
140 |
18 |
5 |
18 |
M16 |
4 |
1,781 |
40 |
53 |
110 |
150 |
18 |
5 |
18 |
M16 |
4 |
2,035 |
50 |
65 |
125 |
165 |
20 |
5 |
18 |
M16 |
4 |
2,668 |
65 |
81 |
145 |
185 |
20 |
6 |
18 |
M16 |
4 |
3,241 |
80 |
94 |
160 |
200 |
20 |
6 |
18 |
M16 |
8 |
3,512 |
100 |
120 |
180 |
220 |
22 |
6 |
18 |
M16 |
8 |
4,247 |
125 |
145 |
210 |
250 |
22 |
6 |
18 |
M16 |
8 |
5,258 |
150 |
174 |
240 |
285 |
24 |
6 |
22 |
M20 |
8 |
6,945 |
200 |
226 |
295 |
340 |
26 |
6 |
22 |
M20 |
12 |
9,383 |
250 |
281 |
355 |
405 |
29 |
8 |
26 |
M24 |
12 |
13,717 |
300 |
333 |
410 |
460 |
32 |
8 |
26 |
M24 |
12 |
18,213 |
350 |
365 |
470 |
520 |
35 |
8 |
26 |
M24 |
16 |
27,184 |
400 |
416 |
525 |
580 |
38 |
8 |
30 |
M27 |
16 |
34,789 |
450 |
467 |
585 |
640 |
42 |
8 |
30 |
M27 |
20 |
44,793 |
500 |
519 |
650 |
715 |
46 |
8 |
33 |
M30 |
20 |
62,227 |
600 |
622 |
770 |
840 |
55 |
8 |
36 |
M33 |
20 |
98,983 |
700 |
721 |
840 |
910 |
63 |
8 |
36 |
M33 |
24 |
107,32 |
800 |
824 |
950 |
1025 |
74 |
8 |
39 |
M36 |
24 |
152,44 |
900 |
926 |
1050 |
1125 |
82 |
8 |
39 |
M36 |
28 |
184,25 |
1000 |
1030 |
1170 |
1255 |
90 |
8 |
42 |
M39 |
28 |
257,09 |
1. SURFACE FINISH FACING TYPES A, B1, B2 etc |
2. FLANGE MARKING: LOGO EN 1092-1 / 02 / DN100 / PN16 / P245GH / HEAT NUMBER |
|
|
|
 |
|
CE PED 2014/68/EU, AD2000 W0 W9 |
ISO9001:2015 |
UKCA PER 2016 |
|
|
|
|
|
Production Capacity & Purchase Details |
|
|
1. |
Supply Flange Dimension DN15 - DN2000 (1/2" - 80"), Forged Flange. |
2. |
Material Carbon Steel: P235GH, P245GH, P250GH, RST37.2, C22.8, S235JR, ST37, ASTM A105 |
3. |
Material Stainless Steel: ASTM A182 F304, F304L, F316, F316L, F321 etc. |
4. |
Flanges Anti Rust: Anti Rust Oil, Black Paint, Yellow Paint Coating, Hot Dipped Galvanized, Cold Galvanized etc. |
5. |
Monthly Output: 3000 tons per Month. |
6. |
Delivery Terms: CIF, CFR, FOB, EXW. |
7. |
Payment Terms: Wire Transfer (T/T), Irrevocable L/C at Sight etc. |
8. |
Minimum Order Quantity: 1Ton or 100Pcs. |
9. |
Quality Guarantee: EN10204 3.1 Certificate, Mill Certificate, Third Party Inspection, Free Replacement Service. |
10. |
Find More Requirements In Flanges Market. |
|
|
EN1092-1 TYPE 02 FLANGES |
|
 |
|
|
Search
EN 1092-1/02 Flange DN15-DN1000 Manufacturer
Loose Flange, Lapped Flange, Lapped Joint
PN6, PN10, PN16, In Stock!
SHANDONG HYUPSHIN FLANGES CO., LTD
|
|
|
|
|
|
Hot Flange's Exporting Leads |
|
|
|
|
|
 |
|
|
|
|
|